DXC數字交叉連接設備的作用,是為了完成各個信號間的交叉連接。
可以把DXC設備想象成為一座立交橋,假設這個立交橋有m個入口和n個出口,那么一輛車在從m個入口的任意一個入口開進立交橋后,都可以從n個出口中的任何一個開出來,以達到道路立體交叉連接的目的。
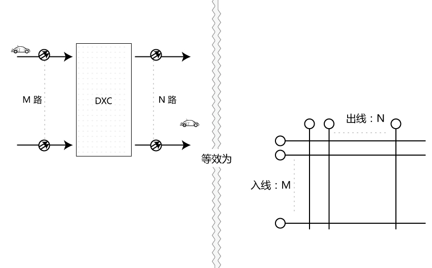
如圖是一個DXC工作原理圖
DXC可將輸入的m路STM-N信號交叉連接到輸出的n路STM-N信號上,上圖表示有m條入光纖和n條出光纖。
DXC的核心是交叉連接,功能強的DXC能完成高速(例STM-64)信號在交叉矩陣內的低級別交叉(例如VC12級別的交叉)。
讀完這篇文章后,您心情如何?
